91 schémas hydrauliques trouvés
⋯

ecoCRAFT exclusive
Chaudière au sol à condensation
Ballon ECS
multiMATIC 700, VR 70, VR 920
VKK 806/3;VKK 1206/3;VKK 1606/3;VKK 2006/3;VKK 2406/3;VKK 2806/3
- Radiateur: 1x Mélangé

ecoCRAFT exclusive
Chaudière au sol à condensation
Ballon ECS
multiMATIC 700, VR 70, VR 71, VR 91, VR 920
VKK 806/3-E;VKK 1206/3-E;VKK 1606/3-E
- Plancher chauffant: 9x Mélangé

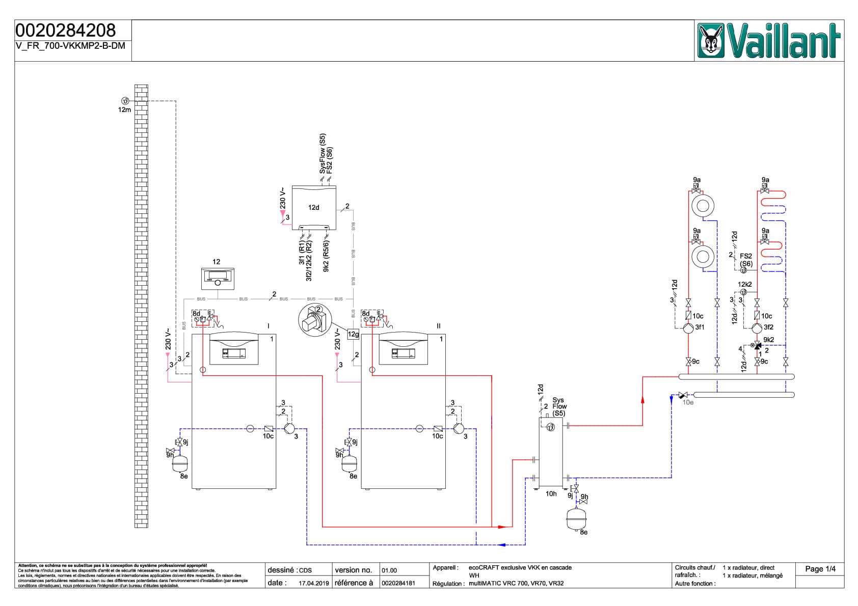
ecoCRAFT exclusive
Chaudière au sol à condensation, Cascade
Sans ballon ECS
multiMATIC 700, VR 70
VKK 806/3;VKK 1206/3;VKK 1606/3;VKK 2006/3;VKK 2406/3;VKK 2806/3
- Radiateur: 1x Direct
- Plancher chauffant: 1x Mélangé

ecoCRAFT exclusive
Chaudière au sol à condensation, Cascade
Ballon ECS
multiMATIC 700, VR 71, VR 920
VKK 806/3;VKK 1206/3;VKK 1606/3;VKK 2006/3;VKK 2406/3;VKK 2806/3
- Radiateur: 2x Mélangé

ecoCRAFT exclusive
Chaudière au sol à condensation, Cascade
Sans ballon ECS
multiMATIC 700, VR 70, VR 71
VKK 806/3;VKK 1206/3;VKK1606/3;VKK2006/3;VKK2406/3;VKK2806/3
- Radiateur: 6x Mélangé
⋯