186 schémas hydrauliques trouvés
⋯

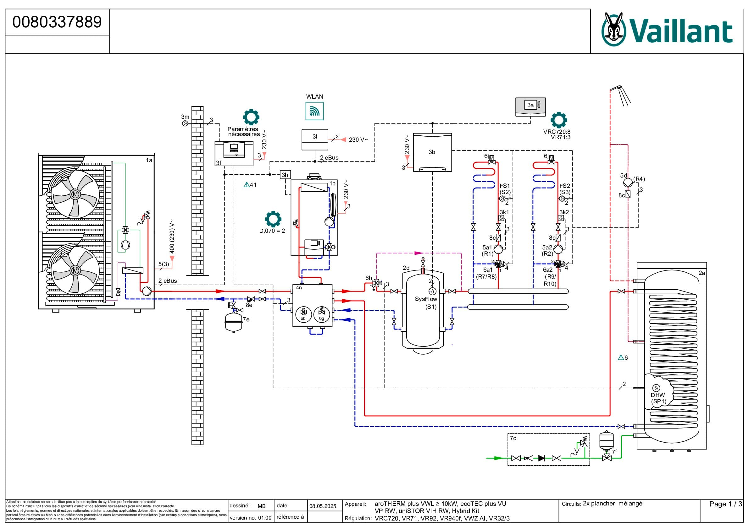
aroTHERM plus;ecoTEC plus
Cascade, Pompe à chaleur Air / Eau monobloc, Chaudière murale à condensation
Ballon tampon
VRC 720, VR 940f, VWZ AI, VR 71
VWL 125/6;VWL 155/6;VU 806/5-5;VU 1006/5-5;VU 1206/5-5
- Radiateur: 1x Mélangé

aroTHERM plus;ecoTEC plus
Cascade, Pompe à chaleur Air / Eau monobloc, Chaudière murale à condensation
Ballon tampon
VRC 720, VR 92, VR 71, VWZ AI, VR 921
VWL 125/6;VWL 155/6;VU 10 CS/1-5;VU 25 CS/1-5;VU 35 CS/1-5
- Radiateur: 1x Mélangé
- Plancher chauffant: 2x Mélangé

aroTHERM plus;ecoTEC plus
Pompe à chaleur Air / Eau monobloc, Chaudière murale à condensation, Cascade
Ballon tampon rafraîchissement
VRC 720, VWZ AI, VR 71, VR 940f
VWL 35/6;VWL 45/6;VWL 55/6;VWL 65/6;VWL 75/6;VWL 85/6;VU 10 CS/1-5;VU 25 CS/1-5;VU 35 CS/1-5
- Plancher chauffant: 3x Mélangé

aroTHERM plus;ecoTEC plus
Pompe à chaleur Air / Eau monobloc, Chaudière murale à condensation, Cascade
Ballon tampon
VRC 720, VR 71, VR 940f
VWL 125/6;VWL 155/6;VU 486/5-5;VU 656/5-5
- Radiateur: 1x Mélangé

aroTHERM plus;ecoTEC plus
Pompe à chaleur Air / Eau monobloc, Chaudière murale à condensation
Ballon tampon, Ballon ECS
VRC 720, VR 71, VR 940f, VWZ AI
VWL 105/6;VWL 125/6;VU 20 CS/1-5;VU 25 CS/1-5
- Plancher chauffant: 2x Mélangé
⋯